Связаться с нами
  • Устройство для установки термопреобразователей
  • Отзывов: 0
    Добавить отзыв
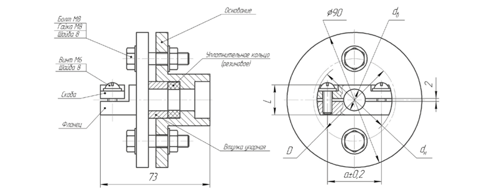
  • для соединения первичных преобразователей температуры с технологическими трубопроводами и аппаратами и соответствует типу 2 ГОСТ 26331-94.

    Цена и срок изготовления по запросу

Устройство изготовлено из стали 12Х18Н10Т ГОСТ 5632-2014.

Крепление устройства для установки термопреобразователей на объекте осуществляется с помощью сварки. Уплотнение устройства герметично к измеряемой среде и выдерживает повышенное давление до 0,1 МПа.

По заявке потребителя поставке могут подлежать как устройство в целом, так и его составная часть — фланец совместно со скобой и крепежными деталями.
При заказе оговаривается наименование заказываемого изделия и диаметр арматуры (гильзы) устанавливаемого термопреобразователя.



Отзывы



Пример записи при заказе:

Устройство для установки ТП — 8.
"Пример условного обозначения устройства для установки термопреобразователя с диаметром арматуры (гильзы) 8 мм."

Фланец для установки ТП — 8.
"Пример условного обозначения фланца для установки термопреобразователя с диаметром арматуры (гильзы) 8 мм."


Заказать Устройство для установки термопреобразователей в ОМСКЕ Для определения стоимости оборудования, комплектности и сроков поставки в г . Омске, пожалуйста, скачайте опросный лист, заполните его и прикрипите к форме заявки.

Специалисты отдела продаж ответят на Ваш запрос в течении одного рабочего дня.
Сделать заказ
Файл с реквизитами: Файл с техническими характеристиками:
CAPTCHA
Оставить отзыв
Прикрепить файл (PDF):
CAPTCHA
Задать вопрос
CAPTCHA