Связаться с нами
  • Термокоса. Датчики температуры многозонные цифровые МЦДТ 0922 во взрывозащищённом исполнении
  • Отзывов: 5
    Добавить отзыв
    Датчик температуры многозонный цифровой
    термометрическая коса
    термокоса
  • для  одновременного  измерения  температуры  в  нескольких  точках  объекта, расположение которых определяется конструкцией объекта в частности для полевого определения температуры грунтов по 25358-2020

    Цена и срок изготовления по запросу

   |      ТЕРМОКОСЫ ЗАЩИЩЕНЫ ПАТЕНТОМ РФ. Патент на изобретение № 2448335 от 19.052010г.

Патент подтверждает наше лидерство и гарантирует высочайшее качество и надежность продукции!

Прошли испытания на степень защиты от воды и пыли IP68

ИНТЕРВАЛ МЕЖДУ ПОВЕРКАМИ 5 ЛЕТ.

КАБЕЛЬ С УСИЛЕННОЙ СТАЛЬНОЙ ЖИЛОЙ.

 

Термометрическая коса (термокоса) представляет собой кабель с усиленной жилой с последовательно расположенными датчиками температуры в отдельном защитном металлическом корпусе и разъемом для подключения к контроллеру.

Датчики температуры соединены между собой гибким кабелем и имеют высокий уровень пылевлагозащиты. Благодаря специальным материалам кабель сохраняет гибкость при эксплуатации даже в условиях отрицательных температур.

Шаг расположения датчиков температуры по длине кабеля выбираются индивидуально заказчиком.

Термокосы, производимые АO «НПП «ЭТАЛОН», отвечает всем требованиям промышленной безопасности к эксплуатации на объектах нефтяной и газовой промышленности.

 

| МКСН.405226.001ТУ

 

НАЗНАЧЕНИЕ: 

  • для  одновременного  измерения  температуры  в  нескольких  точках  объекта, расположение которых определяется конструкцией объекта в частности для полевого определения температуры грунтов по ГОСТ 25358-2020, где требуется получить информацию о конкретных данных температуры мерзлых, промерзающих и протаивающих грунтов.
  • имеют маркировку взрывозащиты РО Ex iа I Ма Х/0Ех ia IIC T6 Ga X и предназначены для применения в соответствии с ГОСТ IEC 60079-14-2011, руководством по эксплуатации МКСН.405226.001 РЭ в подземных выработках угольных шахт и их наземных строениях, опасных по газу (метан) и (или) угольной пыли и во взрывоопасных зонах помещений и наружных установок, в которых возможно образование взрывоопасных сред категорий IIA, IIB, IIC групп Т1, Т2, Т3, Т4, Т5, Т6 по классификации ГОСТ Р МЭК 60079-20-1-2018. Уровень взрывозащиты датчиков температуры МЦДТ 0922 для угольных шахт Ма (очень высокий), для взрывоопасных сред Gа (очень высокий).

 

ОБЛАСТЬ ПРИМЕНЕНИЯ:

  • объекты теплоэнергетики,
  • машиностроение,
  • нефтяная промышленность
  • другие отрасли промышленности.

 

Датчик температуры многозонный цифровой МЦДТ 0922 (термокоса) преобразует измеренный сигнал в цифровой вид с последующей передачей его на устройство считывания, хранения и отображения данных - контроллеры цифровых датчиков портативные типа ПКЦД или стационарные типа СКЦД или логгеры цифровых датчиков ЛЦД.

Допускается использование данных приборов для работы с несколькими термокосами МЦДТ 0922.

При вертикальном размещении косы МЦДТ 0922 длиной более 10 м, рекомендовано использование исполнения по рис.2 с армирующим элементом для обеспечения заявленного расстояния между датчиками и во избежание разрывов кабеля.

Датчик температуры многозонный цифровой МЦДТ 0922 (термокоса) соответствует требованиям действующей конструкторской документации МКСН.405226.001 и является многозонным (от 2 до 249 зон), однофункциональным, неремонтируемым изделием. Корпус каждого измерительного преобразователя электрически изолирован.

ТЕХНИЧЕСКИЕ ХАРАКТЕРИСТИКИ МЦДТ 0922
рабочий диапазон измеряемых температур, °C -50 …+100
пределы допускаемой абсолютной погрешности:
от -50 …-30 включ., °С, не более ±(0,1+0,014(|t|-30))
св. -30 …+30 включ., °С, не более ±0,1
св. +30 …+100 включ., °С, не более ±(0,1+0,014(|t|-30)
время термической реакции, с, не более 25
материал защитной арматуры измерительных преобразователей сталь 12Х18Н10Т
вид климатического исполнения по ГОСТ 15150-69 УХЛ1, У1, У3, Т1, Т3
степень защиты от воздействия пыли и воды по ГОСТ 14254-2015:
- измерительной зоны (с глубиной погружения не более 2 м, временем погружения не более 8 ч) IP68
- разъема МЦДТ IP20
средняя наработка до отказа, ч, не менее 80 000
устойчивость к вибрации по ГОСТ Р 52931-2008 N2
количество измерительных преобразователей от 3 до 250
общая длина, м от 0,6 до 120
масса (в зависимости от количества преобразователей температуры), кг от 0,14 до 23,5
средний срок службы, лет, не менее 10
Примечание – |t| – абсолютное значение температуры, °С, без учета знака

 



Отзывы


  • Мерзлотная станция Центра ИССО филиала ОАО " РЖД"

    Мерзлотная станция Центра ИССО филиала ОАО «РЖД» является приемником самой первой мерзлотной станции, которая была создана на базе Сковородинской метеостанции при Заб.жд НКПС, регулярные наблюдения за температурами многолетнемерзлых грунтов ведутся с октября 1927г.

    За время существования Мерзлотной станции использовалось большое количество измерительных приборов самых разных типов и конструкций.

    В сентябре — ноябре 2016г., станция провела полевое испытание многозонного цифрового датчика температуры МЦДТ 0922 и портативного контроллера цифровых датчиков ПКЦД-1/16 производства НПП «Эталон» Испытания проводились в термометрических скважинах объектов земляного полотна на Восточносибирской, Дальневосточной и Забайкальской железных дорогах.

    Технический персонал, высоко оценил качество и надежность приборов, считаем важным отметить следующие и особенности:

    - компактные размеры и малый вес изделий. Диаметр датчика всего 9 мм, что дало возможность испытать МЦДТ 0922 в термометрических скважинах любого диаметра;

    - хорошую гидроизоляцию, МЦДТ 0922 неоднократно попадал в воду, но его работоспособности это не отразилось;

    - кабель МЦДТ 0922 сохраняет эластичность при отрицательной температуре;

    - ПКЦД-1/16 долгое время работает без подзарядки. Аккумулятор типа «Крот» легко приобрести в розничной сети;

    - показания удобно считывать с индикатора ПКЦД-1/16, управление интуитивно понятно и не вызывает затруднений, эксплуатация приборов не требует высокой квалификации персонала;

    - приборы прошли государственные испытания и внесены в государственный реестр средств измерений.

     

    По результатам испытаний принято решение о включении приборов МЦДТ 0922 и ПКЦД-1/16 в инвестиционную программу станции и о рекомендации их применения геобазами дорог в зоне распространения многолетнемерзлых грунтов.

  • Инженерно-технический центр ООО «Газпром добыча Надым»

    Комплект термометрического оборудования (прибор ПКЦД и датчиковая коса), полученный от Вас на тестировании, благополучно прошел испытания при проведении весенних режимных замеров, и достоин всяческих похвал относительно кондиционности полученных данных и быстроты работы.

  • ООО «Геострой»

    Добрый день!

    Мы опробовали в различных условиях приобретенные у вас термоизмерительные приборы. Впечатления самые лучшие. Технологичные, современные, компактные, внешний вид и исполнение — выше всяких похвал. Отдельно можно сказать о скорости измерения — крайне важный фактор при производстве полевых испытаний многолетне-мёрзлых грунтов. При нашей работе с вашими термокосами у инспекторов технического надзора не возникает никаких вопросов, в отличие от подобных приборов других производителей. Хотим приобрести ещё изделия вашего предприятия в количестве 4шт. немного другой модификации (длиннее на 2 метра + 1 датчик), что приобрели ранее….

  • ООО “Самур”

    От лица компании ООО “Самур” хочу выразить Вам благодарность и уважение. На протяжении всего периода взаимодействия и по настоящее время продукция компании отличалась высоким качеством, а поставки своевременностью,

    Желаю дальнейших успехов и возлагаем надежды на дальнейшее взаимовыгодное совместное сотрудничество.

     

    Директор ООО «САМУР» Носков Евгений Юрьевич

  • ООО «Удмуртская электротехническая компания»

    Мы являемся дилерами компании АО «НПП «Эталон» на протяжении многих лет. Выражаем огромную благодарность за оперативное выставление счетов, помощь консультировании заказов, профессионализм менеджеров, а также своевременную отгрузку продукции.


Таблица 1

Тип

КОНСТРУКТИВНОЕ ИСПОЛНЕНИЕ

Длины зон L1 , L2 , …, LN-1, м

Общая длина L, м

Масса М, кг, не более

Номер рисунка конструк-ции

Тип маркировки измери-тельных преобра-зователей

Кол-во измери-тельных преобра-зователей N

Длина соедини-тельного кабеля lк , м

Длины участков измери-тельной зоны l1 ,l2 …,lm, м

Кол-во участков измери-тельной зоны n1 , n2 , …, nm, имеющих длины l 1 ,l2 …,lm соот-ветственно

МЦДТ 0922

1 (без армирую-щего элемента)

1 (по длинам зон L1 , L2 , …, LN-1, м)

или

2 (по порядковому номеру)

от 3 до 250

от 0,2 до 100

от 0,2 до 100

от 2 до 249

от 0,2 до 100

от 0,6 до 120

М=0,06+0,02× ×N+0,03×L*

2 (с армирую-щим элементом)

М=0,11+0,03× ×N+0,05×L*

* L = 0,035 + lк + l, м

где l = n1 × l1 + n2 × l2 + … + nm × lm – длина измерительной зоны, м

КОМПЛЕКТНОСТЬ:

  • многозонный цифровой датчик температуры МЦДТ 0922;
  • паспорт;
  • методика поверки;
  • руководство по эксплуатации;
  • копия сертификата соответсвия.

 

ПОРЯДОК ЗАПИСИ ПРИ ЗАКАЗЕ:

«Датчик температуры многозонный цифровой МЦДТ 0922 - Х - Х - Х - Х - (Х) - Х - ЕхХ - У - МКСН.405226.001ТУ»

                                                                                                            1    2   3   4     5     6     7    8    9

1. Номер рисунка конструкции (см. рис.1 и рис. 2):
    1 – без армирующего элемента,
    2 – с армирующим элементом;

 

2. Тип маркировки измерительных преобразователей:
    1 – по длинам зон L1, L2, … ,LN-1, м;
          при l≤25 м l1, l2. …. lm могут быть от 0,2 до 25 м с кратностью 0,1 м,
          при l>25 м l1, l2. …. lm должны быть кратны 1 м;
    2 – по порядковому номеру;

3. Количество измерительных преобразователей N;

4. Длина от разъёма до первого преобразователя lк, м;

5. Длина измерительной зоны l, м:
    n1×l1+n2×l2+…+ nm×lm, где l1, l2, …,lm – длины участков измерительной зоны, м;
    n1, n2, …,nm – количество участков измерительной зоны, имеющих длины l1, l2, …, lm соответственно;

6. Вид климатического исполнения;

7. Взрывозащищенное исполнение РО Ех ia I Ma Х / 0Ex ia IIC T6 Ga X.

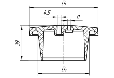
8. Обозначение крышки К48, К57, К76 (см.Крышка МКСН.714361.002)

9. Наличие утяжелителя (только для 2 рисунка).

 

ПРИМЕР ЗАПИСИ ПРИ ЗАКАЗЕ:

1. «Датчик температуры многозонный цифровой во взрывозащищенном исполнении МЦДТ 0922-2-1-12-2,5-(6×0,5+5×1,0)-У1-Ех-МКСН.405226.001 ТУ»;

2. «Датчик температуры многозонный цифровой во взрывозащищенном исполнении МЦДТ 0922-2-1-24-2,0-(24,5)-У1-Ех-МКСН.405226.001 ТУ»;

3. «Датчик температуры многозонный цифровой во взрывозащищенном исполнении МЦДТ 0922-2-2-21-1,5-(20×0,5)-У1-Ех-К57-У-МКСН.405226.001 ТУ»

Крышка МКСН.714361.002

Наименование

D1 , мм

D2 , мм

К48

68

45

К57

77

58

К76

92

73


Заказать Термокоса. Датчики температуры многозонные цифровые МЦДТ 0922 во взрывозащищённом исполнении в ОМСКЕ Для определения стоимости оборудования, комплектности и сроков поставки в г . Омске, пожалуйста, скачайте опросный лист, заполните его и прикрипите к форме заявки.

Специалисты отдела продаж ответят на Ваш запрос в течении одного рабочего дня.

Сопутствующие товары

  • Радиологгер цифровых датчиков ЛЦД-1/100-РМ
  • Контроллеры цифровых датчиков портативные ПКЦД-1/100
  • Портативные контроллеры цифровых датчиков ПКЦД-2
  • Логгер цифровых датчиков ЛЦД-2-USB
  • Стационарный контроллер цифровых датчиков СКЦД-6/200
  • Переходник USB/RS-485 для СКЦД
  • Крышка МКСН.714361.002
  • Груз для МЦДТ 0922
Сделать заказ
Файл с реквизитами: Файл с техническими характеристиками:
CAPTCHA
Оставить отзыв
Прикрепить файл (PDF):
CAPTCHA
Задать вопрос
CAPTCHA