Связаться с нами
  • Преобразователи термоэлектрические платинородий - платиновые ТПП 2003
  • Отзывов: 0
    Добавить отзыв
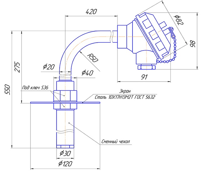
    Преобразователи термоэлектрические ТПП 2003
  • для измерения температуры в закалочных ваннах с использованием расплава солевых смесей (в том числе бариевые ванны) для термической обработки стали при температуре (1000-1300) ºС.
     

    Цена и срок изготовления по запросу

| Соответствует ГОСТ 6616 

 

 

ТЕХНИЧЕСКИЕ ХАРАКТЕРИСТИКИ

ТПП 2003

диапазон измеряемых температур, °C

0…+1300

номинальная статическая характеристика (НСХ)

ПП(S)

класс допуска

2

показатель тепловой инерции, с

90

степень защищенности от пыли и воды

IP54

изоляция рабочего спая

изолированный

время термической реакции, с, не более

90

диапазон условных давлений, МПа

4,0

материал термоэлектродов

(+)Пр-10 Ø 0.5

(-)ПлТ Ø 0.5

устойчивость к вибрации (по ГОСТ Р 52931)

группа исп. V3

материал сменного чехла (по ГОСТ 8734)

сталь 30ХГСА

материал защитной арматуры (по ГОСТ 5632)

сталь 12Х18Н10Т

вид климатического исполнения

У3, ТB3

Преобразователь выполнен разборной конструкции, что позволяет в процессе эксплуатации производить замену чехла.

 


ПРИМЕР ЗАПИСИ ПРИ ЗАКАЗЕ:
«Преобразователь термоэлектрический ТПП 2003»




Заказать Преобразователи термоэлектрические платинородий - платиновые ТПП 2003 в ОМСКЕ Для определения стоимости оборудования, комплектности и сроков поставки в г . Омске, пожалуйста, скачайте опросный лист, заполните его и прикрипите к форме заявки.

Специалисты отдела продаж ответят на Ваш запрос в течении одного рабочего дня.
Сделать заказ
Файл с реквизитами: Файл с техническими характеристиками:
CAPTCHA
Оставить отзыв
Прикрепить файл (PDF):
CAPTCHA
Задать вопрос
CAPTCHA