Связаться с нами
  • Преобразователи температуры интеллектуальные ПТИ 1107
  • Отзывов: 0
    Добавить отзыв
    Преобразователи температуры интеллектуальные ПТИ 1107
  • для измерения температуры твёрдых, жидких и газообразных сред, сыпучих веществ в технологических процессах и научных исследованиях.

    Цена и срок изготовления по запросу

|  ТУ 4211-097-02566540-2012

 

ОБЛАСТЬ ПРИМЕНЕНИЯ:
Объекты энергетики, металлургии, химической, нефтяной, газовой, машиностроительной, перерабатывающей и других отраслей промышленности.


ПТИ 1107 функционально состоит из двух последовательно соединенных преобразователей:

  • первичного термопреобразователя (далее – ПТ), представляющего собой защищенный арматурой термочувствительный элемент, в качестве которого можно использовать термопреобразователь сопротивления (далее – ТС) по ГОСТ 6651-2009 или преобразователь термоэлектрический (далее - ТП) по ГОСТ 6616-94;
  • вторичного измерительного преобразователя (далее – ИП), представляющего собой электронное устройство по ГОСТ 13384-93, устанавливаемое в защитную головку, обеспечивающее преобразование выходного сигнала от ПТ в унифицированный электрический выходной сигнал постоянного тока 4…20 мА.


Диапазон измеряемых температур включает диапазон рабочих температур.

Рабочий  диапазон  температур  устанавливается  заказчиком  в  пределах  диапазона измеряемых температур.

По заявке потребителя ПТИ 1107 могут поставляться с другой присоединительной резьбой и другой длиной монтажной части.

ТЕХНИЧЕСКИЕ ХАРАКТЕРИСТИКИ

ПТИ 1107

виды климатических исполнений по ГОСТ 15150-69

У1, Т1

исполнение рабочего спая изолирован материал защитной головки алюминиевый сплав минимальная глубина погружения, не менее, мм

60

номинальная статическая характеристика (НСХ), класс допуска, диапазон измеряемых температур ПТ

см. табл. 1

напряжение питания, В

от 10 до 36

диапазон измеряемых температур и номинальная температура применения

см. табл. конструктивных исполнений

время термической реакции при скорости потока жидкости 1,0 м/с

средняя наработка до отказа

монтажная часть защитной арматуры ПТИ 1107 должна быть рассчитана на условное давление (Ру) по ГОСТ 356-80 и выдерживать испытания на прочность пробным давлением (Рпр), указанным в таблице 4, и на герметичность – внутренним пневматическим давлением 0,6 МПа

См. табл. 4

диапазоны преобразования и пределы основной приведенной погрешности

см. табл. 2

электрическое сопротивление изоляции

см. табл. 3

степень защиты от пыли и воды по ГОСТ 14254

IP66

устойчивость к вибрации (группа исполнения по ГОСТ 52931-2003) V3; F3; FX

см. табл. 5

предел дополнительной допускаемой погрешности преобразования, вызванной отклонением температуры окружающего воздуха от нормальной, не превышает 0,5 предела основной погрешности на каждые 10 °С.

средний срок службы, не менее, лет

4

 

УСЛОВИЯ ЭКСПЛУАТАЦИИ:

диапазон температур окружающего воздуха, °C

-40 ...+ 80

относительная влажность воздуха при температуре 40 °C, %

100

 

Таблица 1

НОМИНАЛЬНАЯ СТАТИЧЕСКАЯ ХАРАКТЕРИСТИКА (ДАЛЕЕ – НСХ), КЛАСС ДОПУСКА, ДИАПАЗОН ИЗМЕРЯЕМЫХ ТЕМПЕРАТУР ПТ

НСХ

Класс допуска

Диапазон измеряемых температур, °С

100М по ГОСТ 6651

В

от -50 до +150

100П по ГОСТ 6651

B

от -196 до +500

Pt100 по ГОСТ 6651

В

от -196 до +500

ХА(К) по ГОСТ 6616

2

от -150 до +1300

 

Таблица 2

ПРЕОБРА-ЗОВАТЕЛЬ

ЭЛЕКТРИЧЕСКОЕ СОПРОТИВЛЕНИЕ ИЗОЛЯЦИИ

между корпусом и

величина, МОм, не менее

при темпера-туре (20±5) °C и относи-тельной влажности от 30 до 80 %

при темпера-туре 35 °C и относи-тельной влаж-ности 98 %

Первич-ный преобра-зователь

отсоеди-ненными выводами первич-ного преобра-зователя

ТС

100

0,5

ТП

100

1,0

Вторич-ный преобра-зователь

выходными контактами 5; 6

20

0,5

Примечание – При измерении электрического сопротивления изоляции ПТИ 1107 первичный и вторичный преобразователи электрически разъединяют

 

Таблица 3

Номер рисунка конструкции

Условное давление, Ру, МПа

Пробное давление, Рпр, МПа

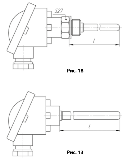
13, 20, 27

0,25

0,4

11, 12, 14, 15, 16, 17, 18, 19, 21, 22, 26, 28

10,0

15,0

 

Таблица 4

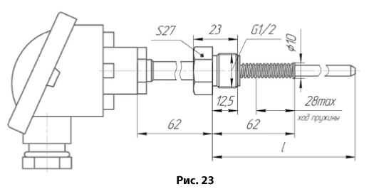
Устойчивость к вибрации

Рисунок

V3

рис. 11-22 (НСХ: ХА(К); 100П (-196...+500)) рис. 25

F3

рис. 11-22 (НСХ: 100М; 100П (-196...+200)) рис. 23, рис. 24

FX

рис. 26

 



Отзывы



 

НСХ

Диаметр защитной арматуры d, мм

Диапазон измеряемых температур, (номинальная температура применения), °С

Минимальная длина монтажной части для верхнего предела температуры, мм

Материал защитной арматуры

Средняя наработка до отказа, часов

100 М

8, 10

-50…+150 (130)

60

12Х18Н10Т

100 000

100 П

-196…+200 (180)

100 П

-196…+500 (450)

160

50 000

Pt 100

Pt 100

-196…+200 (180)

60

100 000

ХА(К)

-40…+800 (700)

250

12Х18Н10Т 10Х17Н13М2Т

50 000

ХА(К)

-40…+1050 (950)

320

10Х23Н18

Длина монтажной части l, мм: 60, 80, 100, 120, 160, 200, 250, 320, 400, 500, 630, 800, 1000, 1250, 1600, 2000, 2500, 3150

Время термической реакции, с, не более:

30 – для диаметра защитной арматуры d = 10 мм;

20 – для диаметра защитной арматуры d = 8 мм.

Масса, г, не более:

М = (370 + 0,37×l) - для диаметра защитной арматуры d = 10 мм;

М = (360 + 0,3×l) - для диаметра защитной арматуры d = 8 мм.

 

НСХ

Диаметр защитной арматуры d, мм

Диапазон измеряемых температур, (номинальная температура применения), °С

Минимальная длина монтажной части для верхнего предела температуры, мм

Материал защитной арматуры

Средняя наработка до отказа, часов

100 М

8, 10

-50…+150 (130)

100

12Х18Н10Т

100 000

100 П

-196…+200 (180)

100 П

-196…+500 (450)

160

50 000

Pt 100

Pt 100

-196…+200 (180)

60

100 000

ХА(К)

-40…+800 (700)

250

12Х18Н10Т 10Х17Н13М2Т

50 000

ХА(К)

-40…+1050 (950)

320

10Х23Н18

Длина монтажной части l, мм: 100, 120, 160, 200, 250, 320, 400, 500, 630, 800, 1000, 1250, 1600, 2000, 2500, 3150

Время термической реакции, с, не более:

     30 – для диаметра защитной арматуры d = 10 мм;

     20 – для диаметра защитной арматуры d = 8 мм.

Масса, г, не более:

     М = (350 + 0,37×l) - для диаметра защитной арматуры d = 10 мм;

     М = (340 + 0,3×l) - для диаметра защитной арматуры d = 8 мм.

 

НСХ

Диаметр защитной арматуры d, мм

Диапазон измеряемых температур, (номинальная температура применения), °С

Минимальная длина монтажной части для верхнего предела температуры, мм

Материал защитной арматуры

Средняя наработка до отказа, часов

100 М

6

-50…+150 (130)

100

12Х18Н10Т

100 000

100 П

-196…+200 (180)

100 П

-196…+500 (450)

160

50 000

Pt 100

Pt 100

-196…+200 (180)

100

100 000

ХА(К)

3, 5, 6

-40…+800 (700)

250

50 000

ХА(К)

-40…+1050 (950)

320

ХН78Т

Длина монтажной части l, мм: 100, 120, 160, 200, 250, 320, 400, 500, 630, 800, 1000 – для всех ПТИ 1107;

1250, 1600, 2000, 2500, 3150, 4000, 5000, 6300, 8000, 10000, 12500, 14000, 16000, 18000, 20000, 25000, 30000 – только для ПТИ 1107 с ПТ типа ХА(К).

Время термической реакции, с, не более:

8 – для диаметра защитной арматуры d = 6 мм;

6 – для диаметра защитной арматуры d = 5 мм;

2,5 – для диаметра защитной арматуры d = 3 мм.

Масса, г, не более:

М = (350 + 0,17×l) – для диаметра защитной арматуры d = 6 мм;

М = (350 + 0,11×l) – для диаметра защитной арматуры d = 5 мм;

М = (350 + 0,04×l) – для диаметра защитной арматуры d = 3 мм.

 

НСХ

Диаметр защитной арматуры d, мм

Диапазон измеряемых температур, (номинальная температура применения), °С

Минимальная длина монтажной части для верхнего предела температуры, мм

Материал защитной арматуры

Средняя наработка до отказа, часов

100 М

8, 10

-50…+150 (130)

160

12Х18Н10Т

100 000

100 П

-196…+200 (180)

100 П

-196…+500 (450)

160

50 000

Pt 100

Pt 100

-196…+200 (180)

60

100 000

ХА(К)

-40…+800 (700)

250

12Х18Н10Т 10Х17Н13М2Т

50 000

ХА(К)

-40…+1050 (950)

320

10Х23Н18

Длина монтажной части l, мм: 160, 200, 250, 320, 400, 500, 630, 800, 1000, 1250, 1600, 2000, 2500, 3150

Время термической реакции, с, не более:

     30 – для диаметра защитной арматуры d = 10 мм;

     20 – для диаметра защитной арматуры d = 8 мм.

Масса, г, не более (для рис. 13):

     М = (330 + 0,37×l) - для диаметра защитной арматуры d = 10 мм;

     М = (320 + 0,3×l) - для диаметра защитной арматуры d = 8 мм.

Масса, г, не более (для рис. 18):

     М = (360 + 0,37×l) - для диаметра защитной арматуры d = 10 мм;

     М = (350 + 0,3×l) - для диаметра защитной арматуры d = 8 мм.

 

 

НСХ

Диаметр защитной арматуры d, мм

Диапазон измеряемых температур, (номинальная температура применения), °С

Минимальная длина монтажной части для верхнего предела температуры, мм

Материал защитной арматуры

Средняя наработка до отказа, часов

100 М

6

-50…+150 (130)

160

12Х18Н10Т

100 000

100 П

-196…+200 (180)

100 П

-196…+500 (450)

200

50 000

Pt 100

Pt 100

-196…+200 (180)

160

100 000

ХА(К)

3, 5, 6

-40…+800 (700)

320

50 000

ХА(К)

-40…+1050 (950)

400

ХН78Т

Длина монтажной части l, мм:  160, 200, 250, 320, 400, 500, 630, 800, 1000 – для всех ПТИ 1107;

1250, 1600, 2000, 2500, 3150, 4000, 5000, 6300, 8000, 10000, 12500, 14000, 16000, 18000, 20000, 25000, 30000 – только для ПТИ 1107 с ПТ типа ХА(К).

Время термической реакции, с, не более:

     8 – для диаметра защитной арматуры d = 6 мм;

     6 – для диаметра защитной арматуры d = 5 мм;

     2,5 – для диаметра защитной арматуры d = 3 мм.

Масса, г, не более (для рис. 19):

     М = (365 + 0,17×l) – для диаметра защитной арматуры d = 6 мм;

     М = (365 + 0,11×l) – для диаметра защитной арматуры d = 5 мм;

     М = (365 + 0,04×l) – для диаметра защитной арматуры d = 3 мм.

Масса, г, не более (для рис. 20):

     М = (305 + 0,17×l) – для диаметра защитной арматуры d = 6 мм;

     М = (305 + 0,11×l) – для диаметра защитной арматуры d = 5 мм;

     М = (305 + 0,04×l) – для диаметра защитной арматуры d = 3 мм.

 

НСХ

Диаметр защитной арматуры d, мм

Диапазон измеряемых температур, (номинальная температура применения), °С

Минимальная длина монтажной части для верхнего предела температуры, мм

Материал защитной арматуры

Средняя наработка до отказа, часов

100 М

10/8

-50…+150 (130)

60

12Х18Н10Т

100 000

100 П

-196…+200 (180)

100 П

-196…+500 (450)

160

50 000

Pt 100

Pt 100

-196…+200 (180)

60

100 000

ХА(К)

-40…+800 (700)

250

50 000

ХА(К)

-40…+1050 (950)

320

10Х23Н18

Длина монтажной части l, мм: 160, 200, 250, 320, 400, 500, 630, 800, 1000, 1250, 1600, 2000, 2500, 3150

Время термической реакции не более 20 с.

Масса, г, не более:  М = 370 + 0,37×l

 

НСХ

Диаметр защитной арматуры d, мм

Диапазон измеряемых температур, (номинальная температура применения), °С

Минимальная длина монтажной части для верхнего предела температуры, мм

Материал защитной арматуры

Средняя наработка до отказа, часов

100 М

6

-50…+150 (130)

125

12Х18Н10Т/Л63

100 000

100 П

-50…+150 (180)

Pt 100

Длина монтажной части l, мм: 125, 150, 170, 200, 215, 250, 275, 335

Время термической реакции не более 15 с.

Масса, г, не более: М = 345 + 0,16×l

 

Рис.

НСХ

Диаметр защитной арматуры d, мм

Диапазон измеряемых температур, (номинальная температура применения), °С

Минимальная длина монтажной части для верхнего предела температуры, мм

Материал защитной арматуры

Средняя наработка до отказа, часов, не менее

Длина монтажной части l, мм

Время термической реакции, с

Масса, г, не более

24

ХА(К)

6

-40…+400 (380)

60

12Х18Н10Т

100 000

10, 32, 60, 80, 100, 120, 160, 200, 250, 320, 500

6,5

М = 350 + 0,17×l

25

10/8,5

-40…+800 (700)

12Х18Н10Т

50 000

10, 20, 40, 60, 80, 100, 160, 200, 250, 320, 400, 500, 630, 800, 1000, 1250, 1600, 2000

М = 380 + 0,37×l

26

10

-40…+800 (700)

100

12Х18Н10Т

100

50

470

27

20

-40…+800 (700)

320

12Х18Н10Т

200, 250, 320, 400, 500, 630, 800, 1000, 1250, 1600, 2000, 2500, 3150

180

М = 330 + 1,14×l

-40…+1050 (950)

400

15Х25Т ХН78Т

28

-40…+800 (700)

200

12Х18Н10Т

200, 250, 320, 400, 500, 630, 800, 1000, 1250, 1600, 2000, 2500, 3150

М = 470 + 1,14×l

-40…+1050 (950)

15Х25Т ХН78Т

 

29

12,5

-40…+1000 (900)

800

нитрид кремния

800, 1000, 1250, 1600, 2000, 2500

60

М = 520 + 0,3×l

30

 

20; 15*

-40…+1200 (1000)

500

вакуумплотная керамика

320, 400, 500, 800, 1000, 1250, 1600

90

М = 670 + 0,47×l

31

 

20

-40…+1200 (1000)

320

320, 400, 500, 800, 1000, 1250, 1600

М = 790 + 0,47×l

* В исполнениях с диаметром защитной арматуры 15 мм. используются съемные термовставки ДДШ 5.186.138 с одним или двумя чувствительными элементами.

Преобразователи температуры интеллектуальные ПТИ 1107
Преобразователи температуры интеллектуальные ПТИ 1107
http://oldomsk.bildgroups.ru/sites/default/files/pti_1107_24_27.png

ПРИМЕР ЗАПИСИ ПРИ ЗАКАЗЕ:
ПТИ 1107 - 12 - 200 - 10 - 100П - 12Х18Н10Т - (0+500) - (4-20) мА - 0,5%  У1  ТУ 4211-097-02566540-2012
       1           2      3       4      5               6                 7                  8           9       10                  11

1. Тип
2. Номер рисунка
3. Длина монтажной части l, мм
4. Диаметр монтажной части d, мм
5. НСХ 
6. Материал защитной арматуры
7. Диапазон преобразования температуры, °С
8. Уровень и вид выходного сигнала
9. Величина основной приведенной погрешности
10. Обозначение ТУ

 

КОМПЛЕКТНОСТЬ:

Наименование

Кол-во

Примечания

Преобразователь температуры интеллектуальный ПТИ 1107

1 шт.

По спецификации заказа

Паспорт МКСН.405261.021 ПС

1 экз.

 

Паспорт нормирующего преобразователя

1 экз.

 


Заказать Преобразователи температуры интеллектуальные ПТИ 1107 в ОМСКЕ Для определения стоимости оборудования, комплектности и сроков поставки в г . Омске, пожалуйста, скачайте опросный лист, заполните его и прикрипите к форме заявки.

Специалисты отдела продаж ответят на Ваш запрос в течении одного рабочего дня.
Сделать заказ
Файл с реквизитами: Файл с техническими характеристиками:
CAPTCHA
Оставить отзыв
Прикрепить файл (PDF):
CAPTCHA
Задать вопрос
CAPTCHA