Связаться с нами
  • Микросборка 04ХА042
  • Отзывов: 0
    Добавить отзыв
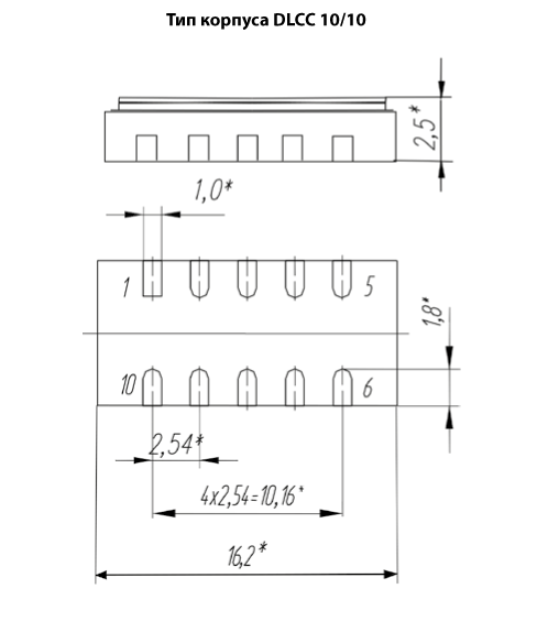
    Микросборка 04ХА042
  • для использования в качестве частотно-избирательных звеньев многоканальных частотно-селективных устройств с фильтрами на ПАВ на частоты от 200 до 500 МГц

    Цена и срок изготовления по запросу

НАЗНАЧЕНИЕ:

Микросборка представляет собой функциональный элемент тракта преселектора радиоприемного устройства, выполненный по схеме «коммутатор – фильтр – усилитель – фильтр – коммутатор».

Гарантируемые электрические параметры

Центральная частота, f0, МГц

200-500

Полоса Δf, по уровню -2дБ, МГц

2,5-2,86

Усиление, дБ

14

Подавление1, дБ

90

Интермодуляц избирательность по 3-му порядку2, дБмкВ

63

Интермодуляц избирательность. по 2-му порядку3, дБмкВ

90

Максимальные пульсации АЧХ в полосе пропускания, дБ

2

ТКЧ 10-6/ºС

-40

1 при частотной отстройке ±5% и более от f0

2 для сигналов помех в полосе пропускания: fп1= Fн + 0,5 МГц, fп2= Fн + 1,0 МГц

3 для сигналов помех: fп1=100,0 МГц, fп2=(Fн + 1,25 МГц)–100,0 МГц;

где Fн – нижняя частота среза полосы пропускания измеряемой микросборки в условиях воздействия климатических факторов

Предельные значения режимов эксплуатации

Наименование параметра

Норма

не менее

не более

Напряжение питания, В

4

6

Ток потребления, мА

16

26

Коэффициент усиления, дБ

12

16

Повышенная рабочая температура

-

55ºС

Пониженная рабочая температура

минус 20ºС

-

 

Масса микросборки не более 0,8 г

Содержание драгоценных металлов: золото (проволока) 0,00224 г

 



Отзывы




Заказать Микросборка 04ХА042 в ОМСКЕ Для определения стоимости оборудования, комплектности и сроков поставки в г . Омске, пожалуйста, скачайте опросный лист, заполните его и прикрипите к форме заявки.

Специалисты отдела продаж ответят на Ваш запрос в течении одного рабочего дня.
Сделать заказ
Файл с реквизитами: Файл с техническими характеристиками:
CAPTCHA
Оставить отзыв
Прикрепить файл (PDF):
CAPTCHA
Задать вопрос
CAPTCHA