Связаться с нами
  • Регуляторы температуры РТ-10
  • Отзывов: 0
    Добавить отзыв
    Регуляторы температуры РТ-10
  • РТ-10 предназначены для измерения, индикации и регулирования температуры различных объектов.

    Цена и срок изготовления по запросу

 

НАЗНАЧЕНИЕ:

Микропроцессорные регуляторы температуры РТ-10 предназначены для измерения, индикации и регулирования температуры различных объектов.

 

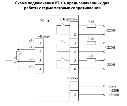
ВЫХОДНЫЕ УСТРОЙСТВА:
3 независимые контактные группы реле - ~242 В, 5 А

 

ОСНОВНЫЕ ФУНКЦИИ И ОТЛИЧИТЕЛЬНЫЕ ОСОБЕННОСТИ РЕГУЛЯТОРОВ:

  • позиционное регулирование от трех независимых реле;
  • сигнализация состояния выходных коммутирующих элементов;
  • наличие внутренней энергонезависимой памяти, позволяющей сохранять данные регулирования после выключения питания прибора;
  • линеаризация сигналов от термопар в соответствии с НСХ преобразования;
  • сигнализация о выходе измеряемой температуры за границы диапазона;
  • компенсация температуры холодных концов термопар;
  • сторожевой таймер;
  • сигнализация обрыва цепей датчика.

 

Тип первич-ного преобра-зователя

Характеристика первичного преобра-зователя, НСХ

Пределы допус-каемой основной абсолют-ной погреш-ности, ºС

Диапазон измеряемых температур, ºС

ТХА

ХА(К)

5

от – 80 до +999

ТХК

ХК (L)

4

от – 80 до +800

ТПП

ПП(S)

6

от 0 до 999

ТПР

ПР(В)

от 300 до 999

ТСМ

50М

(α=0,00428°С-1)

2

от – 80 до +200

ТСМ

100М

(α=0,00428°С-1)

ТСП

50П

(α=0,00391°С-1)

3

от – 80 до +850

ТЕХНИЧЕСКИЕ ХАРАКТЕРИСТИКИ

РТ-10

Тип датчика, в зависимости от исполнения

ТХА(K), ТХК(L), ТПП(S), ТПР(B), ТЖК(J),

ТСМ 50М, 100М - α=0,00428 °C-1 (W100=1,4280);

ТСП 50П, 100П - α=0,00385 °C-1 (W100=1,3850),

α=0,00391 °C-1 (W100=1,3910)

Диапазон измеряемых температур,°С

по типу датчика

Вид индикации

цифровая светодиодная, 2 индикатора по 3 разряда (высота цифр 14 мм)

Разрешающая способность индикации, °С

1

Пределы допускаемой основной абсолютной погрешности, °С

см. таблицу 1

Количество каналов измерения

1

Количество каналов регулирования

3

Закон регулирования

2-х, 3-х позиционный

Уставки

3 независимых набора

Дискретность задания уставок равна разрешающей способности индикации

Логика работы выходных устройств

прямой гистерезис ("нагрев")

Погрешность срабатывания выходных устройств

не более разрешающей способности индикации

Индикация замыкания контактов выходных устройств

3 красных светодиода

Сохранение в энегонезависимой памяти

текущие уставки и поправки

Степень защиты, обеспечиваемую оболочкой ГОСТ 14254-2015

IP20

Материал корпуса пластмасса
Вид климатического исполнения по ГОСТ 15150-69 УХЛ4.2
Диапазон рабочих температур, °С 0…40
Питание ~220 В; 50 Гц
Потребляемая мощность, Вт, не более 7
Габаритные размеры, мм, не более 48х96х145
Размер окна для установки в щите, мм 45,5х93
Масса, кг, не более 0,65


Отзывы



ПРИМЕР ЗАПИСИ ПРИ ЗАКАЗЕ:
«Регулятор температуры РТ-10-1»
Регулятор температуры РТ-10-1, предназначенный для работы с датчиками ТХА(К).

 

ПОРЯДОК ЗАПИСИ ПРИ ЗАКАЗЕ:

«РТ-10-Х», где

Х - Тип датчика:

1 - ТХА(K)

2 - ТХК(L)

3 - ТПП(S)

4 - ТПР(B)

5 - ТСМ 50М, α= 0,00428 °C-1 (W100=1,4280)

6 - ТСМ 100М, α= 0,00428 °C-1 (W100=1,4280)

7 - ТСП 50П, α= 0,00391 °C-1 (W100=1,3910)

8 - ТСП 50П, α= 0,00385 °C-1 (W100=1,3850)

9 - ТСП 100П, α= 0,00391 °C-1 (W100=1,3910)

10 - ТСП 100П, α= 0,00385 °C-1 (W100=1,3850)

11 - ТЖК(J)

 

КОМПЛЕКТНОСТЬ:

Кол-во

регулятор температуры РТ-10

1 шт.

руководство по эксплуатации

1 экз.

комплект монтажных частей

1 комплект

соединитель 2ЕDGK- 5,08-02P-1-4

1 шт.

соединитель 2ЕDGK- 5,08-04P-1-4

1 шт.

соединитель 2ЕDGK- 5,08-06P-1-4

1 шт.


Заказать Регуляторы температуры РТ-10 в ОМСКЕ Для определения стоимости оборудования, комплектности и сроков поставки в г . Омске, пожалуйста, скачайте опросный лист, заполните его и прикрипите к форме заявки.

Специалисты отдела продаж ответят на Ваш запрос в течении одного рабочего дня.
Сделать заказ
Файл с реквизитами: Файл с техническими характеристиками:
CAPTCHA
Оставить отзыв
Прикрепить файл (PDF):
CAPTCHA
Задать вопрос
CAPTCHA