Отзывов:
0
| МКСН.405544.018 ТУ
Программное обеспечение на ЛЦД-1/100-СД
Варианты обустройства термометрических скважин с логгером ЛЦД-1/100-СД
ОБЛАСТЬ ПРИМЕНЕНИЯ:
Для проведении мониторинга температуры труднодоступных, удаленных от промышленной инфраструктуры объектов возникает потребность в приборах, способных автономно, в течение нескольких лет, собирать и сохранять данные о температуре – автономных логгерах температуры. Функционирование таких приборов осуществляется от встроенного элемента питания с расширенным диапазоном температур эксплуатации.
НАЗНАЧЕНИЕ:
Логгер цифровых датчиков ЛЦД-1/100-СД предназначен для автономного считывания результатов измерения температуры с датчиков температуры многозонных цифровых МЦДТ (далее – термокоса) с заданной периодичностью.
ЛЦД-1/100-СД — обеспечивает считывание и сохранение результатов измерения температуры с термокос на карту памяти формата microSD и передачей данных на ПК посредством карт-ридера;
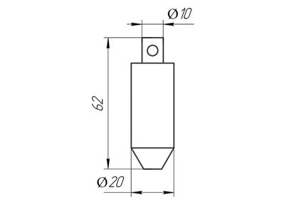
Компактные размеры (диаметр 26 мм, длина 210 мм) позволяют устанавливать логгер непосредственно в термометрическую скважину. Диапазон температур окружающего воздуха при долговременной эксплуатации логгера от -40 до +40 °С, при эксплуатации в более жестких климатических условиях логгер размещается в термометрической скважине ниже уровня грунта на 0,5 – 1 м, где температурные условия значительно мягче. Крепление логгера осуществляется за хвостовик на кожухе, либо любым другим удобным способом за корпус логгера. Термокосы массой до 3 кг могут удерживаться в разъеме логгера только за счет встроенного фиксатора, для термокос большей массы предусмотрено дополнительное крепление.
ЛЦД-1/100-СД сохраняет данные на карту памяти формата microSD, отформатированную в файловой системе FAT16, перенос данных на ПК осуществляется с помощью стандартного карт-ридера.
Логгеры имеют встроенную систему диагностики неисправностей электроники, термокосы, карты памяти и элемента питания, которая позволяет убедиться нормальном функционировании прибора перед установкой на объекте. Замена термокосы, карты памяти или элемента питания может осуществляться на месте установки логгера, без использования каких-либо инструментов.
Наиболее актуальная область применения логгеров – геотехнический мониторинг температуры грунтов в местах расположения объектов нефтегазового комплекса, зданий и сооружений, объектов транспортной инфраструктуры в северных районах России, так как надежность и безопасность их строительства и функционирования во многом определяется эффективностью систем мониторинга температуры грунтов.

|
ТЕХНИЧЕСКИЕ ХАРАКТЕРИСТИКИ |
ЛЦД-1/100-СД |
|
Габаритные размеры, мм, не более |
Ø 26 х 210 |
|
Масса логгера, кг, не более |
0,35 |
|
Напряжение питания постоянного тока, В |
3,6 |
|
Ток потребления в режиме ожидания, мА, не более |
0,005 |
|
Период проведения измерений (настраивается пользователем), часов: |
от 1 до 99 |
|
Количество датчиков в термокосе |
1 ... 100 |
|
Длина термокосы (расстояние от логгера до последнего датчика), м, не более |
100 |
|
Электрическая емкость термокосы, пФ, не более |
15 000 |
|
Суточный ход часов логгера в нормальных условиях, с/сут, не более |
±10 |
|
Суточный ход часов логгера во всем диапазоне рабочих температур и влажности, с/сут, не более |
±25 |
|
Время непрерывной работы без замены элемента питания*, лет, не менее |
3 |
|
Запись результатов измерений, интерфейс: |
карта памяти microSD, USB карт-ридер энерго-независимая память, радиоканал |
|
Устойчивость к вибрации по ГОСТ Р 52931-2008 |
N1 |
|
Степень защиты от пыли и воды по ГОСТ 14254-96 |
IР65 |
|
Средняя наработка до отказа, часов |
35 000 |
|
Средний срок службы, лет |
7 |
|
* Время непрерывной работы логгера без замены элемента питания зависит от количества одновременно подключаемых датчиков и периода проведения измерений |
|
УСЛОВИЯ ЭКСПЛУАТАЦИИ:
|
- температура воздуха при долговременной эксплуатации, °C |
- 40 ... + 40 |
|
- относительная влажность воздуха при 35 ºС |
85% |
ПРИМЕР ЗАПИСИ ПРИ ЗАКАЗЕ ЛОГГЕРА: :
«Логгер цифровых датчиков ЛЦД-1/100 - СД МКСН.405544.018 ТУ»
1 2 3
1. Тип логгера
2. Исполнение логгера
3. Обозначение ТУ
КОМПЛЕКТНОСТЬ:
|
НАИМЕНОВАНИЕ |
КОЛ-ВО |
ПРИМЕЧАНИЕ |
|
Логгер цифровых датчиков ЛЦД-1/100 - СД |
1 шт. |
|
|
Руководство по эксплуатации МКСН.405544.018 РЭ |
1 экз. |
|
|
Паспорт МКСН.405544.018 ПС |
1 экз. |
|
|
Элемент питания (Li-SOCl2), тип АА, 3.6 В |
1 шт. |
Установлен в батарейный отсек логгера |
|
Карабин DIN5299 D6x60 |
1 шт. |
|
|
Прокладка МКСН.754175.017 |
2 шт. |
Одна прокладка установлена на корпус |
|
Карта памяти microSD 2 Гб FAT16 с: ПО «Viper» 643.02566540.00010-01 |
1 шт. |
|
|
Карт-ридер FCR-MRG2 USB microSDHC Card Reader |
1 шт. |
По отдельной заявке |
09.06.2025
Сотрудники АО «НПП «Эталон» присоединились к участникам праздника «ВелоОмск — 2025»
Читать подробнее
06.06.2025
АО «НПП «Эталон»: признание от партнеров АО «Медтехника»
Читать подробнее
05.06.2025
АО «НПП «Эталон» принимает участие в научной конференции «Актуальные проблемы и перспективы развития геокриологии» г. Мирный
Читать подробнее