Связаться с нами
  • Измерители температуры многоканальные ИТ-6
  • Отзывов: 0
    Добавить отзыв
    Измерители температуры многоканальные ИТ-6
  • для измерения температуры при помощи подключаемых преобразователей термоэлектрических с НСХ по ГОСТ Р 8.585 и измерения теплопроводности по ГОСТ Р 54853 и ГОСТ 26602.1 при помощи датчиков теплового потока

    Цена и срок изготовления по запросу
| МКСН.405544.026ТУ

 

НАЗНАЧЕНИЕ:

Измеритель температуры многоканальный ИТ-6 предназначен для измерения температуры при помощи подключаемых преобразователей термоэлектрических (термопар, ТП) с НСХ по ГОСТ Р 8.585 и измерения теплопроводности (термического сопротивления) по ГОСТ Р 54853 и ГОСТ 26602.1 при помощи датчиков теплового потока, подключаемых по 96, 80, 64, 48, 32 или 16 каналам в зависимости от исполнения ИТ-6 с последующей передачей данных на ЭВМ. Результаты измерения в мВ, Вт/м2 или °C выводятся на экран компьтера в виде таблицы и графиков. Измерители температуры и теплопроводности многоканальные ИТ-6 могут использоваться в качестве устройства автоматизированного сбора и обработки информации различных телеметрических систем.
 

Измерители температуры и теплопроводности многоканальные ИТ-6 в комплекте с преобразователями плотности теплового потока и преобразователями термоэлектрическими может использоваться в составе системы измерения термического сопротивления ограждающих конструкций зданий и сооружений.


Функции, выполняемые прибором:

  • измерение напряжения, плотности теплового потока и температуры по 16,32,48,64,80,96 каналам в зависимости от исполнения прибора;
  • измерение температуры холодных концов термопар;
  • отображение результатов измерения на экране монитора персонального компьютера.

 

КРАТКОЕ ОПИСАНИЕ:
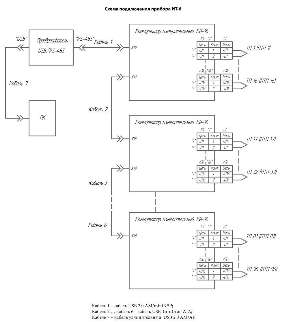
Измерители температуры многоканальные ИТ-6 состоят из преобразователя USB/RS-485 и коммутаторов измерительных КИ-16 (по 1 шт. на каждые 16 каналов). ИТ-6 соединяются с компьютером по интерфейсу USB.

Каждый КИ-16 содержит микроконтроллер, коммутатор, АЦП, датчик температуры холодных концов и преобразователь интерфейса RS-485.

Коммутаторы измерительные КИ-16 измеряют значение напряжения по каждому из каналов, снимают показания датчиков температуры холодных концов термопары и передают через преобразователь USB/RS-485 все эти значения на компьютер.

Компьютер на основе полученных данных определяет значения плотности теплового потока или температуры. Результаты измерения выводятся на экран компьютера в виде значений напряжения, плотности теплового потока, температуры, и графиков
напряжения, плотности теплового потока , температуры.

Измерение производится циклами. В ходе одного цикла измерений блок КИ-16 производит измерение по всем каналам и передает данные на компьютер.

Приборы могут работать в режиме непрерывного измерения, когда после очередного цикла измерения следует следущий цикл, или производить заданное количество циклов измерения.

Также у приборов имеется возможность производить измерения с программируемой задержкой между циклами измерений от 20 с до 60 мин.

ФУНКЦИИ ПРОГРАММНОГО ОБЕСПЕЧЕНИЯ:

  • выбор интервала времени между циклами измерений (20с…60 с) с дискретностью 1 с для значений времени до 1 мин и 1 мин для значений времени от 1 до 60 мин;
  • выбор режима измерений: непрерывное измерение или заданное количество циклов измерений (от 1 до 1000);
  • выбор опрашиваемых каналов, возможность включения / выключения опроса индивидуально для каждого канала;
  • вывод в таблицу температуры холодных концов термопар;
  • возможность вывода в таблицу времени или номера текущего измерения;
  • вывод измеренных значений в таблицу тремя способами:

1. Напряжение, мВ
2. Плотность теплового потока

q = A0 + A1 Uизм + A2 (Uизм)2 + A3 (Uизм)3 + A4 (Uизм)4, Вт/м2,
где А0…А4 - коэффициенты полинома (задаются потребителем),
Uизм - измеренное значение напряжение.
Способ вывода в таблицу и значения коэффициентов А0…А4 определяются индивидуально для каждого канала;

3. Температура
Тип термопары выбранного канала:
ТПП 13(R), TПП 10(S), ТПР(В), ТЖК(J), ТМК(Т), ТХКН(Е), ТХА(К), ТНН(N), ТВР(А-1), ТВР(А-2), ТВР(А-2), ТХК(L), ТМК(М), °С;
- сохранение данных в файле, который может быть обработан как посредством программы обслуживания, так и любыми стандартными средствами, позволяющими работать с текстовыми файлами. Также предусмотрена обработка средствами Microsoft Excel;
- печать данных;
- проведение подстройки прибора.

 

Примечание:
На схеме указан случай подключения к ИТ-6 термопарных датчиков. При необходимости, вместо каждого из термопарных датчиков может быть подключен датчик плотности теплового потока или датчик другой физической величины, имеющий выходной сигнал в виде напряжения, не выходящего за границы диапазона измерения ИТ-6.

ТЕХНИЧЕСКИЕ ХАРАКТЕРИСТИКИ

ИТ-6

Количество измерительных каналов (в зависимости от исполнения прибора)

16, 32, 48, 64, 80, 96

Диапазон измерения напряжения с выходов датчиков, мВ

- 499,999…+ 499,999

Вид индикации

на экране компьютера

Разрешающая способность индикации:

- напряжения U, мВ

0,001

- плотности теплового потока q, Вт/м2

0,01

- температуры t, °С

0,01

Основная абсолютная погрешность, мкВ, не более, где Uизм –значение модуля измеренного напряжения, мкВ

± (6 + 1,5 ·10-4· Uизм)

Связь с ЭВМ

USB

Степень защиты от проникновения твердых предметов и воды по ГОСТ 14254-96

IP20

Вид климатического исполнения по ГОСТ 15150-69

УХЛ 4.1

Температура окружающего воздуха, °С

от плюс 5 до плюс 40

Питание

порт USB 5 В

Ток потребления, не более, мА, не более

50

Габаритные размеры прибора, мм, не более:

- блок КИ-16

135х80х35

- преобразователь USB/RS-485

70х25х10

Масса, кг, не более:

- блок КИ-16

0,14

- преобразователь USB/RS-485

0,04



Отзывы



КОМПЛЕКТНОСТЬ:

  • коммутатор измерительный КИ-16 (1 шт. на каждые 16 каналов);
  • преобразователь USB/RS-485 (1 шт);
  • кабель USB (п-п) тип А-А, 1,5 м (1 шт);
  • кабель удлинительный USB 2.0 AM/AF, 0,75м (1 шт);
  • кабель USB 2.0 AM/miniB 5P, 1,0 м (1 шт);
  • программное обеспечение (CD-диск);
  • руководство по эксплуатации.

 

ПОРЯДОК ЗАПИСИ ПРИ ЗАКАЗЕ:

"ИТ - 6 - ХХ",
где ХХ - число каналов, кратное 16.


Заказать Измерители температуры многоканальные ИТ-6 в ОМСКЕ Для определения стоимости оборудования, комплектности и сроков поставки в г . Омске, пожалуйста, скачайте опросный лист, заполните его и прикрипите к форме заявки.

Специалисты отдела продаж ответят на Ваш запрос в течении одного рабочего дня.
Сделать заказ
Файл с реквизитами: Файл с техническими характеристиками:
CAPTCHA
Оставить отзыв
Прикрепить файл (PDF):
CAPTCHA
Задать вопрос
CAPTCHA