Связаться с нами
  • Головки соединительные
  • Отзывов: 0
    Добавить отзыв
  • для присоединения к ним первичных преобразователей температуры (присоединение через резьбу М20х1,5), а также для установки в них клеммных колодок и измерительных преобразователей.

    Цена и срок изготовления по запросу

| ТУ 4211-093-02566540-201146757/1

НАЗНАЧЕНИЕ:
головки соединительные (далее изделия) предназначены для присоединения к ним первичных преобразователей температуры (присоединение через резьбу М20х1,5), а также для установки в них клеммных колодок и измерительных преобразователей.

Выпускаются в общепромышленном исполнении, ведутся испытания головок соединительных во взрывозащищенном исполнении.

Кабельные вводы обеспечивают ввод кабелей с внешним диаметром от 7до 10 мм.

Головки соединительные разработаны с учетом требований ТР ТС 012/2011, ГОСТ 31610.0, ГОСТ IEC 60079-1 для обеспечения взрывозащиты вида "взрывонепроницаемая оболочка d"

Изделия являются невосстанавливаемыми, неремонтируемыми, однофункциональными.

Головки соединительные могут поставляться с комплектом монтажных частей и без него. Комплект монтажных частей имеет присоединительную резьбу М20х1,5.


http://oldomsk.bildgroups.ru/sites/default/files/golovka_1.jpg
http://oldomsk.bildgroups.ru/sites/default/files/golovka_3_0.png

КОМПЛЕКТНОСТЬ:
- головка соединительная 1 шт.;
- паспорт 1 экз.
По дополнительной заявке: - комплект монтажных частей (КМЧ)

 

ПОРЯДОК ЗАПИСИ ПРИ ЗАКАЗЕ:
Головка соединительная Х- Х- Х- Х- Х- Х- Ех
                                                                                      1     2      3      4      5      6      7
1. Исполнение
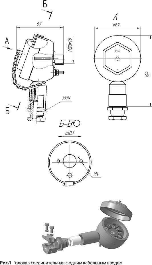
     1 - с одним кабельным вводом (рис.1)
     2 - с двумя кабельными вводами (рис. 2)
2. Межцентровое расстояние шпилек а, мм (согласно таблице 1)
3. Тип комплекта монтажных частей (указывается при его наличии):
     КМЧ 1- для бронированного кабеля
     КМЧ 2 -для гибкого кабеля
     КМЧ 3 - для металлорукава
     КМЧ 4 - для трубного монтажа
4. Количество комплектов монтажных частей
5. Материал КМЧ
     С10 - сталь 12Х18Н10Т
     С20 - сталь 20
6. Вид климатического исполнения:
     У3,Т1,Т3, М1, УХЛ1
7. Вид взрывозащиты 1Ex d IIC T6 Gb U
(ведутся испытания)

 

ПРИМЕРЫ ЗАПИСИ ПРИ ЗАКАЗЕ ВЗРЫВОЗАЩИЩЕННОГО ИСПОЛНЕНИЯ
(РАЗРАБОТКА):

1) Головка соединительная без комплекта монтажных частей:
«Головка соединительная 2 - 33 - Т3 - Ех МКСН.301151.013 ТУ»

2) Головка соединительная с комплектом монтажных частей:
«Головка соединительная 2 - 33 - КМЧ 2 - 2 - Т3 - Ех МКСН.301151.013ТУ»


ПРИМЕРЫ ЗАПИСИ ПРИ ЗАКАЗЕ ОБЩЕПРОМЫШЛЕННОГО ИСПОЛНЕНИЯ:

1) Головка соединительная без комплекта монтажных частей:
«Головка соединительная 2 - 33 - Т3 - МКСН.301151.013 ТУ»

2) Головка соединительная с комплектом монтажных частей:
«Головка соединительная 2 - 33 - КМЧ 2 - 2 - Т3 - МКСН.301151.013 ТУ»




Заказать Головки соединительные в ОМСКЕ Для определения стоимости оборудования, комплектности и сроков поставки в г . Омске, пожалуйста, скачайте опросный лист, заполните его и прикрипите к форме заявки.

Специалисты отдела продаж ответят на Ваш запрос в течении одного рабочего дня.
Сделать заказ
Файл с реквизитами: Файл с техническими характеристиками:
CAPTCHA
Оставить отзыв
Прикрепить файл (PDF):
CAPTCHA
Задать вопрос
CAPTCHA