Связаться с нами
  • Фильтры на ПАВ
  • Отзывов: 1
    Добавить отзыв
    Фильтры на ПАВ
    • входные и выходные каскады мобильных радиостанций;
    • входные каскады профессиональных приемников;
    • каскады ПЧ для фильтрации широкополосных и узкополосных сигналов.
    Цена и срок изготовления по запросу

АО «НПП «Эталон» более 30 лет занимается разработкой и изготовлением фильтров на поверхностных акустических волнах (ПАВ) с малыми потерями. Технологическая база АО «НПП «Эталон» на основе участка микроэлектроники, имеющего всю необходимую инфраструктуру, позволяет осуществлять полный цикл производства, включая разработку, изготовление фотошаблонов и кристаллов, а также сборку и тестирование устройств.

Устройства на поверхностных акустических волнах (ПАВ) являются ключевыми элементами современных средств телекоммуникаций, широко используются во входных каскадах мобильных и носимых радиостанций, в преселекторах и каскадах ПЧ современных приемников.

АО «НПП «Эталон» разрабатывает и производит фильтры на ПАВ с малыми потерями 1 - 5 дБ и ПАВ-микросборки с высокой избирательностью 80-90 дБ. Фильтры на ПАВ, изготовленные АО «НПП «Эталон», имеют малые габариты, не требуют согласования и настройки, совместимы с технологией поверхностного монтажа. Компьютерное моделирование, современная измерительная техника, высокотехнологичная база позволяют вести разработки ПАВ-компонентов на уровне лучших мировых образцов в широком диапазоне частот.

 

НАЗНАЧЕНИЕ:

  • входные и выходные каскады мобильных радиостанций;
  • входные каскады профессиональных приемников;
  • каскады ПЧ для фильтрации широкополосных и узкополосных сигналов.

 

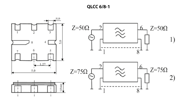
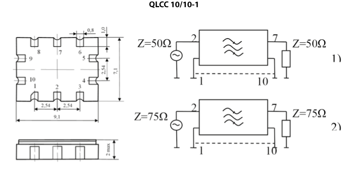
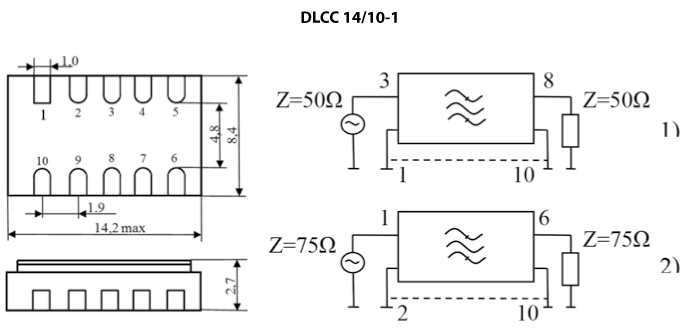
Типы корпусов и схемы включения

За подробной информацией обращаться тел. 8 (3812) 588-409


ПРИМЕР ЗАПИСИ ПРИ ЗАКАЗЕ:

«ФПА1-70-6»

  • ООО «МИНИТЕХ»

      Приобретаемые нами фильтры ФПА 1 и преселекторы Э3-439 полностью соответствуют нашим требованиям.

      Свертывание работ и прекращение поставок Вашей продукции будет иметь крайне негативные последствия для выполнения Гособоронзаказа, так как замена комплектующих Вашего производства потребует значительного времени и неминуемо приведет к ухудшению технических и массогабаритных параметров выпускаемых ООО «МИНИТЕХ» изделий. Кроме того, ряд производимых нашим предприятием НИР и ОКР предполагает применение фильтров Вашего производства. Серийной проблемой станет гарантийный и послегарантийный ремонт изделий, в которых использована Ваша продукция.




Заказать Фильтры на ПАВ в ОМСКЕ Для определения стоимости оборудования, комплектности и сроков поставки в г . Омске, пожалуйста, скачайте опросный лист, заполните его и прикрипите к форме заявки.

Специалисты отдела продаж ответят на Ваш запрос в течении одного рабочего дня.
Сделать заказ
Файл с реквизитами: Файл с техническими характеристиками:
CAPTCHA
Оставить отзыв
Прикрепить файл (PDF):
CAPTCHA
Задать вопрос
CAPTCHA

Условное обозначение фильтра

Центральная частота, fo, МГц

Полоса пропускания по уровню -3дБ, МГц, не менее

Вносимые потери, дБ, не более

Тип корпуса

ФПА1-70-6

70±0,2

5,6

4,7

DLCC 14/10-1

ФПА1-73-6

73±0,2

5,7

4,7

DLCC 14/10-1

ФПА1-75-4

75,3±0,2

3,6

3,0

DLCC 14/10-1

ФПА1-75-6

75±0,2

5,7

4,7

DLCC 14/10-1

ФПА1-76-6

75,6±0,2

5,7

4,7

DLCC 14/10-1

ФПА1-77-6

77±0,2

5,8

4,7

DLCC 14/10-1

ФПА1-78-6

78±0,2

5,8

4,7

DLCC 14/10-1

ФПА1-79-6

79,3±0,2

5,9

4,7

DLCC 14/10-1

ФПА1-92-7

92±0,2

7,0

4,7

DLCC 14/10-1

ФПА1-96-2

96±0,1

1,7

1,5

DLCC 14/10-1

ФПА1-96-5

96,5±0,2

4,3

4,0

DLCC 14/10-1

ФПА1-96-6

96,3±0,2

6,3

4,7

DLCC 14/10-1

ФПА1-103-8

102,5±0,3

7,9

4,7

DLCC 14/10-1

ФПА1-110-2

110,0±0,1

1,8

3,0

DLCC 14/10-1

ФПА1-111-5

111,2±0,2

5,3

4,0

DLCC 14/10-1

ФПА1-113-9

113±0,3

9,0

4,7

DLCC 14/10-1

ФПА1-116-6

116±0,2

5,6

4,0

DLCC 14/10-1

ФПА1-117-8

117,4±0,3

7,9

4,7

DLCC 14/10-1

ФПА1-118-6

118±0,2

5,7

4,0

DLCC 14/10-1

ФПА1-118-9

118±0,3

8,0

4,7

DLCC 14/10-1

ФПА1-119-6

119±0,2

5,8

4,0

DLCC 14/10-1

ФПА1-121,5-2Б

121,5±0,2

1,9

2,8

QLCC 10/10

ФПА1-122-2А

122,2±0,1

1,7

1,7

DLCC 14/10-1

ФПА1-122-2Б

122±0,1

1,9

3,0

DLCC 14/10-1

ФПА1-123-2

123±0,1

1,7

1,7

DLCC 14/10-1

ФПА1-127-2

126,8±0,1

1,9

1,7

DLCC 14/10-1

ФПА1-127-2Б

127,2±0,1

1,8

3,0

DLCC 14/10-1

ФПА1-127-4

127,3±0,2

3,5

5,0

DLCC 14/10-1

ФПА1-135-4

135±0,2

3,6

5,0

DLCC 14/10-1

ФПА1-137-2

137±0,1

2,2

3,0

DLCC 14/10-1

ФПА1-145-2А

145±0,2

2,1

1,7

QLCC 10/10-1

ФПА1-145-2Б

145±0,2

2,2

3,0

QLCC 10/10-1

ФПА1-146-2

146±0,2

2,1

1,7

QLCC 10/10-1

ФПА1-147-10

146,8±0,3

10,8

5,2

QLCC 10/10-1

ФПА1-147-2

147±0,2

2,1

1,7

QLCC 10/10-1

ФПА1-148-2

148±0,2

2,1

1,7

QLCC 10/10-1

ФПА1-149,5-2Б

149,4±0.2

2,2

3,0

QLCC 10/10-1

ФПА1-149-2А

149±0,2

2,1

1,7

QLCC 10/10-1

ФПА1-149-2Б

149±0,2

2,2

3,0

QLCC 10/10-1

ФПА1-149-5

149,4±0,2

4,1

5,0

DLCC 14/10-1

ФПА1-150-13

150,0±0,3

12,7

5,2

QLCC 10/10-1

ФПА1-150-2А

150±0,2

2,2

1,7

QLCC 10/10-1

ФПА1-150-5

150±0,2

4,1

5,0

DLCC 14/10-1

ФПА1-151-5

151±0,2

4,2

5,0

DLCC 14/10-1

ФПА1-151-8

150,8±0,3

7,8

4,3

QLCC 10/10-1

ФПА1-153-13А

152,5±0,5

12,7

5,0

QLCC 10/10-1

ФПА1-153-13Б

152,5±0,5

12,5

5,2

QLCC 10/10-1

ФПА1-153-2

153,0±0,2

2,3

3,0

QLCC 10/10-1

ФПА1-154-13

154,5±0,4

12,5

5,2

QLCC 10/10-1

ФПА1-154-2

154±0,2

2,3

3,0

QLCC 10/10-1

ФПА1-154-5

154±0,2

4,2

5,0

QLCC 10/10-1

ФПА1-155-5

155,2±0,2

4,3

5,0

QLCC 10/10-1

ФПА1-156-2А

156±0,2

2,2

1,7

QLCC 10/10-1

ФПА1-156-2Б

156±0,2

2,2

3,0

QLCC 10/10-1

ФПА1-157-2А

157,1±0,2

2,3

1,7

QLCC 10/10-1

ФПА1-157-2Б

157±0,2

2,3

3,0

QLCC 10/10-1

ФПА1-158-13

158,0±0,3

12,5

5,2

QLCC 10/10-1

ФПА1-159-7

159,3±0,3

7,8

4,5

QLCC 10/10-1

ФПА1-160-12

160,4±0,4

12,0

5,2

QLCC 10/10-1

ФПА1-160-2Б

160±0,2

2,3

3,0

QLCC 10/10-1

ФПА1-161-2

160,8±0,2

2,3

3,0

QLCC 10/10-1

ФПА1-161-5

161±0,2

4,4

5,0

QLCC 10/10-1

ФПА1-161-8Б

161,0±0,3

7,3

4,3

QLCC 10/10-1

ФПА1-162-2А

162±0,2

2,3

1,7

QLCC 10/10-1

ФПА1-162-2Б

162±0,3

2,3

3,0

QLCC 10/10-1

ФПА1-163-13

163,3±0,4

12,5

5,2

QLCC 10/10-1

ФПА1-163-2А

163,1±0,2

2,3

1,7

QLCC 10/10-1

ФПА1-163-2Б

163±0,2

2,4

3,0

QLCC 10/10-1

ФПА1-163-5

163±0,2

4,4

5,0

QLCC 10/10-1

ФПА1-164-2

164.5±0,2

2,4

1,7

QLCC 10/10-1